PAR DE SOPORTES POLOLU PARA MOTOR 37D MM #1084 POLOLU
5 disponibles
* Por favor selecciona la Bodega para que se habilite el botón de Añadir al carrito
5 disponibles
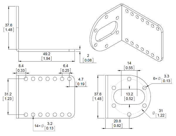
Estos soportes reductores de aluminio te permiten montar los reductores metálicos de 37D mm de Pololu en tu proyecto. Los soportes se venden en pares,y cada soporte incluye seis tornillos M3 para fijar el motor al soporte. Cada soporte también cuenta con catorce orificios de montaje para tornillos M3 o #4 (no incluidos), lo que le ofrece una variedad de opciones de montaje.
Descripción
Estos soportes ligeros (8,5 g cada uno) están diseñados específicamente para los motores de engranajes metálicos Pololu 25D mm, incluidos los mismos motores utilizados en el chasis Wild Thumper. Cada soporte cuenta con siete orificios de montaje y doce ranuras de montaje (seis a lo largo de cada borde) para tornillos M3 o #4, lo que le ofrece una variedad de opciones de montaje. Se incluyen un total de cuatro tornillos M3 (dos para cada soporte) para fijar los motores a los soportes.
Nuestro buje de montaje de 4 mm funciona muy bien con este soporte.
|  | 
| Diagrama de dimensiones para el soporte de engranajes metálicos Pololu #2676 25D mm. Las unidades son mm sobre [pulgadas]. | 
|---|





 
 
 
 
 
 
    
    
 
 
 
